UWB是什么?
UWB(Ultra-Wide Band)即超宽频技术,是一种无线载波通信技术,它不采用正弦载波,而是利用纳秒级的非正弦波窄脉冲传输数据,因此其所占的频谱范围很宽。
UWB技术起源于20世纪60年代,美国军方开发UWB技术用于雷达系统等系统。随着冷战的结束,UWB技术逐渐转向民用发展,我们较熟悉的就是无线电脉冲通信。
UWB遵循802.15.4协议标准,主要应用在近场通信场景,由于UWB技术具有数据传输速率高(达1Gbit/s)、抗多径干扰能力强、功耗低、成本低、穿透能力强、截获率低、与现有其他无线通信系统共享频谱(根据美国联邦通信委员会的规范,UWB的工作频带为3.1~10.6GHz,系统-10dB带宽与系统中心频率之比大于20%或系统带宽至少为500MHz)等特点,UWB技术成为无线个人局域网通信技术(WPAN)的首选技术。
UWB使用"脉冲"信号进行信息传输,所谓脉冲,就是指产生和消失时间极其短暂的瞬间电流;UWB脉冲波产生和消失时间仅为数百微秒至数纳秒以下,1毫秒是1/1000秒,1微秒是1/1000毫秒,1纳秒相当于1/1000微秒,由于在1纳秒的时间里光也只能传播约30cm的距离,可见这种脉冲非常之短。
UWB能通过无线电波使多个UWB设备在4-12英寸(10至30厘米)范围内确认相互之间的位置,可用于实现设备之间的短距离数据传输,通过UWB设备之间的测距实现定位,以感知自身的空间位置。
近期苹果上市的IPHONE12,标配名为“U1”的UWB芯片,使iPhone手机具有更为细腻的空间感知能力;
根据苹果官方介绍,搭载U1芯片的iPhone11系列,手机的定位功能进一步提高,它不仅可以感知自己手机的位置,还可以更快的锁定其他手机的具体位置;
再比方当用户在使用隔空投送(AirDrop)功能时,只需要将个人的iPhone产品指向其他人的iPhone,系统就会为对方优先排序(距离越近,优先级越高),从而实现距离最近者优先选中并快速完成文件共享的服务。

小米此前也已推出了基于UWB技术的“一指连”功能,能够实现将小米手机指向风扇、音箱等任意智能设备时都可直接控制,角度测量精度可达±3°。
有专家指出,未来的UWB的核心发展方向仍然是雷达类应用,即定位和指向控制,UWB技术可以成为搭建未来智慧化生活的基础。

图片来源:恒高,知乎
看看UWB的基站和标签的盒子,多少觉得基站和标签应该是两个不同的设备,但实质上他们确实一样的,都是集成了UWB芯片+天线的的硬件设备,外形上的不一样有点被欺骗的感觉,不同的地方是处理能力、天线射频功放的覆盖范围不一样而已。
Decawave是目前已知唯一支持IEEE 802.15.4的UWB定位芯片厂商。他们提供低成本的芯片出售,零售价格在几美元。芯片型号是DW1000,符合IEEE 802.15.4-2011 UWB标准协议(在理想条件下,最大可测量范围为300m)。
在苹果公司的产品发布会后,基于Decawave芯片DW1000的定位厂商INTRANAV连发两条推特,声称其套件支持与iPhone11的互操作,Decawave也转发了该推特。这说明,苹果U1有极大的可能支持IEEE 802.15.4。
其它从事UWB技术研究的厂商还包括Ubisense、BeSpoon,这些厂商使用了自己的UWB解决方案,通常以模组套件的形式推出,但均不支持IEEE 802.15.4。
要实现更好的空间感知,需要应用生态的支持。为了构建整个应用生态,不同厂家设备性需要实现互操作、互兼容。可以预见,未来所有厂家设备都将可能支持IEEE 802.15.4标准。
如下来源知乎:https://zhuanlan.zhihu.com/p/47190294
1、隧道管廊:
在隧道施工现场,通过部署UWB超宽带定位系统,将定位标签集成至员工胸卡、安全帽等穿戴设备内,可以提供的集风险管控、人员管理、实时显示、应急救援等功能能够准确定位工人位置,保障工人施工安全、施工质量、施工进度。
2、工业制造:
在工厂中,UWB超宽带定位系统可以帮助传统工厂实现数字化管理,可实时查看员工位置、在岗时间、离岗时间、移动轨迹,提高岗位巡查效率。通过后台对仓储货物位置的监管,可查看物品位置、所属仓库等数据,防止物资设备的丢失。
3、司法监狱:
监狱安全管理一直是备受关注的问题,通过UWB超宽带定位技术如何杜绝监狱犯人管理漏洞、降低监管执法风险呢?在监狱,通过UWB超宽带定位系统,将定位标签集成至犯人定位腕带中,能够对服刑犯人进行实时监控。包括:实时掌握人员的实时位置、人数清点、犯人腕带防拆报警、电子围栏、聚众分析、行动轨迹跟踪、 回放、摄像联动警报等,能够很大程度的降低监管执法的风险,防止意外事故的发生。
4、养老院:
在养老院,通过给老人佩戴智能手环或胸牌,不仅能够实时查看老人位置,还能够通过设置电子围栏来圈定安全活动范围,一旦老人走出安全区域,系统就会及时预警,通知管理人员前往查看,避免老人走失。因为护工人员不可能24小时陪在每一个老人身边,难免会有疏漏,所以可以将一键报警功能集成在手环或胸牌之中,一旦老人遇到危急情况,按下按钮就能够通知护工人员及时予以救助,避免危及老人生命健康安全。
5、无绳USB
无绳USB(Wireless USB)是一种无线接口标准,目标是以无线取代目前的USB连线。无线技术方面将使用超宽带近距离高速通信技术“UWB”。目标传送速度为USB2.0的最大通信速度480Mbit/s。可望UWB无线技术将取代USB,成为PC的外设接口。
1. TOF
飞行时间法(Time of flight,TOF)是一种双向测距技术,它通过测量UWB信号在基站与标签之间往返的飞行时间来计算距离。根据数学关系,一点到已知点的距离为常数,那么这点一定在以已知点为圆心,以该常数为半径的圆上。有两个已知点,就有两个交点。以三个已知点和距离作三个圆,他们交于同一个点,该点就是标签的位置。
基于TOF的定位方法测距不依赖基站与标签的时间同步,故没有时钟同步偏差带来的误差,但TOF测距方法的时间取决于时钟精度,时钟偏移会带来误差。为了减少时钟偏移量造成的测距误差,通常采用正反两个方向的测量方法,即远端基站发送测距信息,标签接收测距信息并回复,然后再由标签发起测距信息,远端基站回复,通过求取飞行时间平均值,减少两者之间的时间偏移,从而提高测距精度。
2. TDOA
到达时间差(Time Differenceof Arrival,TDOA)是一种利用到达时间差进行定位的方法又称为双曲线定位。标签卡对外发送一次UWB信号,在标签定位距离内的所有基站都会收到无线信号,如果有两个已知坐标点的基站收到信号,标签和基站的距离间隔不同,因此这两个收到信号的时间节点是不一样的,根据数学关系,到已知两点为常数的点,一定处于以这两点为焦点的双曲线上。那么有四个已知点(四个定位基站)就会有四条双曲线,四条双曲线交于一点就是标签的位置。
TDOA算法并不是直接利用信号到达时间,而是利用多个基站接收到信号的时间差来确定移动目标的位置。因此与TOA相比并不需要加入专门的时间戳来进行时钟同步,定位精度相对有所提高。
3. TWR
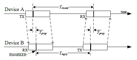
双向测距又叫TWR(Two-Way-Ranging). 其原理就是采用TOF的概念,如下图

DeviceA 和 DeviceB是两个UWB模块。测距首先由A发起,B收到之后再发回一个相应(Responds),A再接收这个相应,完成一次测距,在A和B每一次发送数据和收到数据的时候。都要记录当前时间戳。这样,通过时间戳相减,就可以得到传输时间差:
Tprop = 1/2(Tround - Treply) --TWR基本公式
结合上面的图,非常好理解,得到 Tprop 飞行时间(TOF),有了 Tprop ,再乘以光速c就是距离。
双边双向测距(ADSTWR:Asymetic double side two way ranging)是 TWR的升级改进版本,更加精确!
4、PDOA(Phase Difference Of Arrival)
利用到达角相位来测量基站与标签之间方位关系
-------------------广告线---------------
项目、合作,欢迎勾搭,邮箱:promall@qq.com
本文为呱牛笔记原创文章,转载无需和我联系,但请注明来自呱牛笔记 ,it3q.com
